D71X-10S塑料手动对夹式蝶阀概述
阀体重量轻、耐腐蚀性强,
例如:纯水和生饮水的管路系统、排水和污水管路系统、盐水和海水管路系统、
酸碱和化学溶液系统等多个行业。
※ 外型结构紧凑美观
※ 本体重量轻容易安装
※ 耐腐蚀性强,应用范围广
※ 材质卫生无毒
※ 耐磨损、容易拆卸,维护简单易行
●适用流体:水、空气、油类、腐蚀性化学液体
塑料手动对夹式蝶阀零件材质表:
| NO |
名称 |
材质 |
| 1 |
阀体 |
FRPP、PVDF、CPVC |
| 2 |
阀瓣 |
FRPP、PVDF、CPVC |
| 3 |
阀杆 |
1Cr18Ni9Ti 45# |
| 4 |
阀座 |
EPDM、FPM |
| 5 |
O型圈 |
EPDM、FPM |
| 6 |
手柄 |
ABS |
| 7 |
螺母 |
EPDM、FPM |
| 8 |
定位板 |
1Cr18Ni9Ti |
注:为满足各种防腐行业需要,密封的阀座可采用EPDM,FPM,IIR,GR等橡胶。

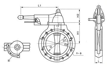
塑料手动对夹式蝶阀尺寸表:
| DN |
D1 |
D2 |
D3 |
L1 |
H |
H1 |
H2 |
n-¢ |
工作压力(Mpa)
|
重量=Kg/台 |
| HG |
JIS |
DIN |
ANSI |
FRPP |
CPVC |
PVDF |
| 25 |
35 |
85 |
90 |
85 |
80 |
125 |
185 |
37 |
72 |
60 |
4-17 |
0.7 |
0.9 |
1.0 |
1.1 |
| 32 |
35 |
100 |
|
|
|
125 |
185 |
37 |
72 |
60 |
4-17 |
0.7 |
0.9 |
1.0 |
1.1 |
| 40 |
47 |
110 |
105 |
110 |
98.5 |
150 |
200 |
38 |
86 |
70 |
4-18 |
0.7 |
1.2 |
1.3 |
1.5 |
| 50 |
56 |
125 |
120 |
125 |
120 |
160 |
200 |
40 |
86 |
70 |
4-18 |
0.7 |
1.3 |
1.5 |
1.6 |
| 65 |
71 |
145 |
145 |
145 |
140 |
185 |
220 |
45 |
100 |
70 |
4-18 |
0.7 |
1.7 |
1.8 |
2.0 |
| 80 |
85 |
160 |
150 |
160 |
152 |
195 |
280 |
46 |
105 |
85 |
8-18 |
0.7 |
2.3 |
2.5 |
2.7 |
| 100 |
105 |
180 |
175 |
180 |
190 |
215 |
280 |
55 |
118 |
85 |
8-18 |
0.6 |
4.0 |
4.4 |
4.8 |
| 125 |
131 |
210 |
210 |
210 |
216 |
250 |
300 |
62 |
163 |
93 |
8-18 |
0.5 |
4.8 |
5.2 |
5.7 |
| 150 |
153 |
240 |
240 |
240 |
240. |
285 |
300 |
67 |
176 |
93 |
8-22 |
0.5 |
5.5 |
6.1 |
6.5 |
注:1.本蝶阀系列法兰孔径按GB2555-81,1.0Mpa标准。也可按用户要求按JIS,DIN,ANSI标准进行制作。
2.D71X-6F阀瓣为PVDF,密封为FPM,D71X-6S阀体阀瓣均为FRPP,密封EPQM通称手柄式蝶阀。