官方博客  中文版 | ENGLISH

客服热线:0517-86930968;
               13951262528

当前位置:首页 > 闸阀系列 

品牌:

名称:Z973H电动刀型闸阀

简介:

Z973H电动刀型闸阀配有多回转式电动装置,使阀板作上下直线运动,实现远程控制阀门的打开或关闭,阀体材质采用铸钢、不锈钢,使用温度:≤425℃,公称压力:1.0~1.6MPa。应用于化工、煤炭、制糖、污水、造纸等领域,特别适合于造纸行业在管道上作调节与节流使用。  

  • Z973H电动刀型闸阀:

    电动刀型闸阀主要性能规范

     

    公称压力(MPa)
    壳体试验(MPa)
    密封试验(MPa)
    工作温度
    适用介质
    1.0
    1.6
    1.5
    2.4
    1.1
    1.8
    ≤100℃
    ≤100℃
    纸浆、污水、煤浆、灰、渣水混和物
     

     

    电动刀型闸阀主要零部件材质

     

    体、盖
    闸阀
    阀杆
    密封面
    不锈钢、碳钢、灰铸铁
    碳钢、不锈钢
    不锈钢
    橡胶、四氟、不锈钢、硬质合金
     

     

    电动刀型闸阀主要外形及连接尺寸(mm)

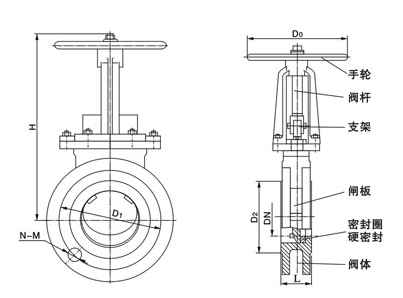
    Z973H电动刀型闸阀截面图

     

    MPa
    DN
    L
    D
    D1
    D2
    H
    N-M
    D0
    W(Kg)
    1.0
    50
    43
    160
    125
    100
    330
    4-M16
    180
     
    65
    46
    180
    145
    120
    360
    4-M16
    180
     
    80
    46
    195
    160
    135
    390
    4-M16
    220
     
    100
    52
    215
    180
    155
    440
    8-M16
    220
     
    125
    56
    245
    210
    185
    510
    8-M16
    230
     
    150
    56
    280
    240
    210
    600
    8-M20
    280
     
    200
    60
    335
    295
    265
    700
    8-M20
    360
     
    250
    68
    390
    350
    320
    840
    12-M20
    360
     
    300
    78
    440
    400
    368
    960
    12-M20
    400
     
    350
    78
    500
    460
    428
    1110
    16-M20
    400
     
    400
    102
    565
    515
    482
    1250
    16-M22
    400
     
    450
    114
    615
    565
    532
    1380
    20-M22
    530
     
    500
    127
    670
    620
    585
    1530
    20-M22
    530
     
    600
    154
    780
    725
    685
    1800
    20-M27
    600
     
    700
    165
    895
    840
    800
    2150
    24-M27
    600
     
    800
    190
    1010
    950
    898
    2420
    24-M30
    680
     
    900
    203
    1110
    1050
    1005
    2680
    28-M30
    680
     
    1000
    216
    1220
    1160
    1115
    3100
    28-M30
    700
     
    1200
    254
    1450
    1380
    1325
    3450
    32-M36
    800
     
    1.6
    50
    43
    160
    125
    99
    330
    4-M16
    180
     
    65
    46
    185
    145
    120
    360
    4-M16
    180
     
    80
    46
    200
    160
    135
    390
    8-M16
    220
     
    100
    52
    220
    180
    155
    440
    8-M16
    220
     
    125
    56
    250
    210
    185
    510
    8-M16
    230
     
    150
    56
    285
    240
    210
    600
    8-M20
    280
     
    200
    60
    340
    295
    265
    700
    12-M20
    360
     
    250
    68
    405
    355
    310
    840
    12-M22
    360
     
    300
    78
    460
    410
    375
    960
    12-M22
    400
     
    350
    78
    520
    470
    435
    1110
    16-M22
    400
     
    400
    102
    580
    525
    485
    1250
    16-M27
    400
     
    450
    114
    640
    585
    545
    1380
    20-M27
    530
     
    500
    127
    715
    650
    609
    1530
    20-M30
    530
     
    600
    154
    840
    770
    720
    1800
    20-M36
    600
     
    700
    165
    910
    840
    788
    2150
    24-M36
    600
     
    800
    190
    1025
    950
    898
    2420
    24-M36
    680
     
    900
    203
    1125
    1050
    998
    2680
    28-M36
    680
     
    1000
    216
    1255
    1170
    1110
    3100
    28-M42
    700
     
    1200
    254
    1485
    1390
    1325
    3450
  •  
  •  
  •  
Z673X气动浆液阀
在线客服系统