官方博客  中文版 | ENGLISH

客服热线:0517-86930968;
               13951262528

当前位置:首页 > 管夹阀系列 

品牌:

名称:GJ841X电动气动管夹阀

简介:

GJ841X电动气动管夹阀是利用阀体同橡胶管套间的水压或气压使管套变形合拢将流体截断。  

  • 电动气动管夹阀产品概述:

    口径(DN)

    DN25~200

    DN250~300

    工作压力

    ma×4bar

    ma×3bar

    控制压力

    ma×6bar

    ma×4.5bar

    大压差

    2bar

    ma×1.5bar

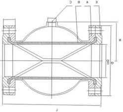
    A.阀体

    B.橡胶管套

    C.控制流体(水或气)入口

    E.连接法兰

    *手动/自动控制:外加三通手动阀或三通电磁

    阀控制压缩空气或压力水进入阀体

    电动气动管夹阀工作原理:

    管夹阀是利用阀体同橡胶管套间的水压或气压使管套变形合拢将流体截断。

    特点:

    无压力损失、无堵塞、无泄露,防水锤冲击

    1. l特别适用于含颗粒的液——固及气——固二相流
    2. l橡胶管套带有纤维增强结构,耐磨、抗疲劳

    三、电动气动管夹阀技术参数:

    1. l阀体:铸铁DN25~300铸铝DN25~300铸钢DN25~300
    2. l法兰联接:铸铁DN25~300,316LDN40~200
    3. l管套材质及温度范围:天然橡胶-5~80℃ 三元乙丙胶-5~120℃
    1. l食品级:食品级天然橡胶管套

    控制介质:压缩空气或压力水

    控制附件:手动-三通手动阀

    自动-三通电动阀

    四、电动气动管夹阀尺寸及参数:

    口径(DN)

    40

    50

    65

    80

    100

    125

    150

    200

    250

    300

    外型尺寸

    L

    150

    180

    180

    220

    276

    345

    414

    550

    680

    820

    H

    40

    60

    60

    75

    95

    120

    145

    182

    229

    278

    I

    26

    27

    28

    30

    36

    48

    52

    65

    82

    98

    D

    150

    165

    200

    200

    220

    250

    285

    340

    405

    480

    法兰

    标准

     

    PN10

    DN40

    PN10

    DN50

    PN10

    DN65

    PN10

    DN80

    PN10

    DN100

    PN10

    DN125

    PN10

    DN150

    PN10

    DN200

    PN10/20

    DN250

    PN10/20

    DN300

    *仅用于铸铁法兰**可选ANSI

  •  
  •  
  •  
GJ941X电动管夹阀
在线客服系统