

气动陶瓷开关(切断)球阀
Q41TC手动陶瓷球阀

本公司专业生产的陶瓷球阀超耐腐蚀、超耐磨损、超耐冲蚀等特点。是颗粒纤维介质、强腐蚀介质中!
(1)、所有与介质接触的部分均为结构陶瓷材料,其化学稳定性及硬度(洛氏硬度HRC90),仅次于金刚石。因此,本阀具有耐磨损、耐腐蚀、耐冲蚀性能,且隔热性好、热膨胀小。
(2)、球体采用先进研磨设备及工艺制造,球圆度精度高,表面质量好,与阀座对研后,利用Zr02陶瓷的自滑润性,可取得很好的密封性能。
(3)、彻底改变了金属硬密封球阀易泄露、扭矩大、密封面不耐腐蚀的缺点。
(4)、陶瓷良好的耐磨性,让本阀经久耐用,可靠性高。使用寿命长,是钛合金阀和蒙乃尔阀的2-4倍。 电磁阀
(5)、用于高硬度的颗粒介质,或有软颗粒但又有腐蚀的介质中

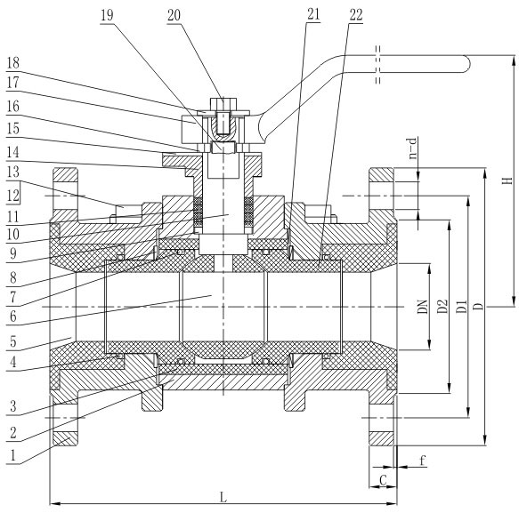
手动陶瓷球阀主要外形和连接尺寸:
| Q41TC |
| 通径DN |
L |
D |
D1 |
D2 |
n-Φd |
b |
f |
H |
|
| mm |
in |
| 15 |
1/2″ |
130 |
95 |
65 |
45 |
4-Φ14 |
14 |
2 |
86 |
|
| 20 |
3/4″ |
130 |
105 |
75 |
55 |
4-Φ14 |
14 |
2 |
95 |
|
| 25 |
1″ |
140 |
115 |
85 |
65 |
4-Φ14 |
14 |
2 |
108 |
|
| 32 |
1 1/4″ |
165 |
135 |
100 |
78 |
4-Φ18 |
16 |
2 |
115 |
|
| 40 |
1 1/2″ |
165 |
145 |
110 |
85 |
4-Φ18 |
16 |
3 |
115 |
|
| 50 |
2″ |
203 |
160 |
125 |
100 |
4-Φ18 |
16 |
3 |
115 |
|
| 65 |
2 1/2″ |
222 |
180 |
145 |
120 |
4-Φ18 |
16 |
3 |
115 |
|
| 80 |
3″ |
241 |
195 |
160 |
135 |
8-Φ18 |
20 |
3 |
145 |
|
| 100 |
4″ |
305 |
215 |
180 |
155 |
8-Φ18 |
20 |
3 |
188 |
|
| 125 |
5″ |
356 |
245 |
210 |
185 |
8-Φ18 |
22 |
3 |
210 |
|
| 150 |
6″ |
394 |
280 |
240 |
210 |
8-Φ23 |
24 |
3 |
260 |
|
| 200 |
8″ |
457 |
335 |
295 |
265 |
12-Φ23 |
26 |
3 |
320 |
|
| 250 |
10″ |
533 |
405 |
350 |
320 |
12-Φ25 |
30 |
3 |
365 |
|
陶瓷球阀因其原材料的稀少,加工过程的高要求(1700℃的高温烧结,20000MPa的等静压制,金刚石磨削加工)使得世界上所有生产陶瓷球阀的生产周期要比普通的阀门长很多,进口陶瓷球阀的交货期长达(10~24个周),国内的氧化锆陶瓷球阀生产厂家的货期也在45~60天左右,更别提可以批量供货有库存了,我公司用过硬的技术力量,完善的售后服务打破了陶瓷球阀生产的僵局,可以达到氧化锆陶瓷球阀可以批量生产批量供货的生产厂家!
气动陶瓷球阀请按以下指示进行安装:
(1)取掉法兰端两边的保护盖,在阀完全打开的状态下进行冲洗清洁。
(2)安装前应按规定的信号(电动或气动)进行整机测试(防止因运输产生振动影响使用性能),合格后方可上线安装(接线按电动执行机构线路图)。
(3)准备与管道连接前,须冲洗和清除干净管道中残存的杂质(这些物质可能会损坏阀座和球)。
(4)在安装期间,请不要用阀的执行机构部分作为起重的吊装点,以避免损坏执行机构及附件。
(5)本类阀应安装在管道的水平方向或垂直方向。
(6)安装点附近的管道不可有低垂或者承受外力的现象,可以用管道支架或者支撑物来消除管线的偏离。
(7)与管道连接后,请用规定的扭矩交叉锁紧法兰连接螺栓。