官方博客  中文版 | ENGLISH

客服热线:0517-86930968;
               13951262528

当前位置:首页 > 球阀系列 

品牌:

名称:Q941F电动不锈钢球阀

简介:

Q941F电动不锈钢球阀密封性能优良,流量系数大,流阻系数小,结构简单,使用寿命长,便于维修。产品广泛应用于化工、石油、轻纺、电力、食品制药、制冷、造纸行业的系统控制。  

  • Q941F电动不锈钢球阀概述:
      Q941F系列电动不锈钢球阀密封性能优良,流量系数大,流阻系数小,结构简单,使用寿命长,便于维修。产品广泛应用于化工、石油、轻纺、电力、食品制药、制冷、造纸行业的系统控制。

    电动不锈钢球阀性能参数:

     

    公称通径DN(mm)

    DN15DN250

    公称压力

    1.64.06.4MPaANSI150300(Lb)JIS1020K

    适用介质

    水、石油、硝酸类、醋酸类、粘性流体、浆料、强氧化性介质等

    介质温度

    -40+180 -40+350

    泄漏量

    0 符合ANSIB16.104 5级标准

    球体转角

    90°

    阀体材制质

    A105F304F316WCBFZG1Cr18Ni9TiZG1Cr18Ni12Mo2TiCF8CF8MCF3M

    阀座材料

    聚四氟乙烯(常温)、特制PPL(高温)

     

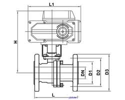
    电动不锈钢球阀主要外形尺寸:

     Q941F不锈钢电动球阀001

    公称通径DN(mm)

    尺寸(mm)

    L

    D3

    D2

    D1

    b

    f

    N-d

    15

    130

    95

    65

    45

    14

    2

    4-14

    20

    140

    105

    75

    55

    14

    4-14

    25

    150

    115

    85

    65

    14

    4-14

    32

    165

    135

    100

    78

    16

    4-18

    40

    180

    145

    110

    85

    16

    3

    4-18

    50

    200

    160

    125

    100

    16

    4-18

    65

    220

    180

    145

    120

    18

    4-18

    80

    250

    195

    160

    135

    20

    8-18

    100

    280

    215

    180

    155

    20

    8-18

    125

    320

    245

    210

    185

    22

    8-18

    150

    360

    280

    240

    210

    24

    8-23

    200

    400

    335

    295

    265

    26

    12-23

     

  •  
  •  
  •  
Q641F气动衬氟球阀 Q941F电动衬氟球阀
在线客服系统